Past Issue in 2018

Volume: 8, Issue: 10

left

Dec

20

Dec

5

Nov

20

Nov

5

Oct

20

Oct

5

Sep

20

Sep

5

Aug

20

Aug

5

Jul

20

Jul

5

Jun

20

Jun

5

May

20

May

5

Apr

20

Apr

5

Mar

20

Mar

5

Feb

20

Feb

5

Jan

20

Jan

5

right

Cancer Biology

Measurement of Oxygen Consumption Rate (OCR) and Extracellular Acidification Rate (ECAR) in Culture Cells for Assessment of the Energy Metabolism

Measurement of Oxygen Consumption Rate (OCR) and Extracellular Acidification Rate (ECAR) in Culture Cells for Assessment of the Energy Metabolism

BP Birte Plitzko
Sandra  Loesgen Sandra Loesgen
76353 Views
May 20, 2018
Mammalian cells generate ATP by mitochondrial (oxidative phosphorylation) and non-mitochondrial (glycolysis) metabolism. Cancer cells are known to reprogram their metabolism using different strategies to meet energetic and anabolic needs (Koppenol et al., 2011; Zheng, 2012). Additionally, each cancer tissue has its own individual metabolic features. Mitochondria not only play a key role in energy metabolism but also in cell cycle regulation of cells. Therefore, mitochondria have emerged as a potential target for anticancer therapy since they are structurally and functionally different from their non-cancerous counterparts (D'Souza et al., 2011). We detail a protocol for measurement of oxygen consumption rate (OCR) and extracellular acidification rate (ECAR) measurements in living cells, utilizing the Seahorse XF24 Extracellular Flux Analyzer (Figure 1). The Seahorse XF24 Extracellular Flux Analyzer continuously measures oxygen concentration and proton flux in the cell supernatant over time (Wu et al., 2007). These measurements are converted in OCR and ECAR values and enable a direct quantification of mitochondrial respiration and glycolysis. With this protocol, we sought to assess basal mitochondrial function and mitochondrial stress of three different cancer cell lines in response to the cytotoxic test lead compound mensacarcin in order to investigate its mechanism of action. Cells were plated in XF24 cell culture plates and maintained for 24 h. Prior to analysis, the culture media was replaced with unbuffered DMEM pH 7.4 and cells were then allowed to equilibrate in a non-CO2 incubator immediately before metabolic flux analysis using the Seahorse XF to allow for precise measurements of Milli-pH unit changes. OCR and ECAR were measured under basal conditions and after injection of compounds through drug injection ports. With the described protocol we assess the basic energy metabolism profiles of the three cell lines as well as key parameters of mitochondrial function in response to our test compound and by sequential addition of mitochondria perturbing agents oligomycin, FCCP and rotenone/antimycin A.Figure 1. Overview of seahorse experiment

Cell Biology

Transmission Electron Microscopy for Analysis of Mitochondria in Mouse Skeletal Muscle

Transmission Electron Microscopy for Analysis of Mitochondria in Mouse Skeletal Muscle

JM Joseph D. McMillan
ME Michael A. Eisenback
19563 Views
May 20, 2018
Skeletal muscle is the most abundant tissue in the human body and regulates a variety of functions including locomotion and whole-body metabolism. Skeletal muscle has a plethora of mitochondria, the organelles that are essential for aerobic generation of ATP which provides the chemical energy to fuel vital functions such as contraction. The number of mitochondria in skeletal muscle and their function decline with normal aging and in various neuromuscular diseases and in catabolic conditions such as cancer, starvation, denervation, and immobilization. Moreover, compromised mitochondrial function is also associated with metabolic disorders including type 2 diabetes mellitus. It is now clear that maintaining mitochondrial content and function in skeletal muscle is vital for sustained health throughout the lifespan. While a number of staining methods are available to study mitochondria, transmission electron microscopy (TEM) is still the most important method to study mitochondrial structure and health in skeletal muscle. It provides critical information about mitochondrial content, cristae density, organization, formation of autophagosomes, and any other abnormalities commonly observed in various disease conditions. In this article, we describe a detailed protocol for sample preparation and analysis of mouse skeletal muscle mitochondria by TEM.
Ex vivo Follicle Rupture and in situ Zymography in Drosophila

Ex vivo Follicle Rupture and in situ Zymography in Drosophila

EK Elizabeth M Knapp
LD Lylah D Deady
JS Jianjun Sun
8010 Views
May 20, 2018
Ovulation, the process of releasing a mature oocyte from the ovary, is crucial for animal reproduction. In order for the process of ovulation to occur, a follicle must be fully matured and signaled to rupture from the ovary. During follicle rupture in both mammals and Drosophila, somatic follicle cells are enzymatically degraded to allow the oocyte to be liberated from the follicle. Here, we describe a detailed protocol of our newly developed ex vivo follicle rupture assay in Drosophila, which represents a first assay allowing direct quantification of follicles’ capacity to respond to ovulation stimuli and rupture. This assay can be modified to stimulate rupture with other reagents (for example, ionomycin) or to query enzymatic activity (in situ zymography). In addition, this assay allows genetic or pharmacological screens to identify genes or small molecules regulating follicle rupture in Drosophila.
Intra-amniotic Injection of Mouse Embryos

Intra-amniotic Injection of Mouse Embryos

LC Liyuan Cui
PZ Peng Zou
QM Qingshuo Meng
LL Lu Lu
JZ Jiayi Zhang
7183 Views
May 20, 2018
Recent outbreaks of infectious neuro-developmental diseases such as congenital Zika syndrome - have led to a demand for prognosis data from animal models. We developed an intra-amniotic injection mice model that allows Zika virus (ZIKV) infected mice to grow to puberty. In this system, ZIKV is injected into the amniotic fluid of pregnant mice and infected embryos thereafter. ZIKV-infected mice show several symptoms of clinical ‘congenital Zika syndrome’, including decreased brain volume and mis-laminated retina. We also evaluated several behavioral functions of these ZIKV-infected mice, for example, after the mice reach puberty, they have visual and motor defects. This technique can be used to screen and evaluate drug candidates and may help evaluate the prognosis of infectious neuro-developmental diseases.

Developmental Biology

In vitro Explant Cultures to Interrogate Signaling Pathways that  Regulate Mouse Lung Development

In vitro Explant Cultures to Interrogate Signaling Pathways that Regulate Mouse Lung Development

CY Changfu Yao
GC Gianni Carraro
BS Barry R. Stripp
7120 Views
May 20, 2018
Early mouse lung development, including specification of primordia, patterning of early endoderm and determination of regional progenitor cell fates, is tightly regulated. The ability to culture explanted embryonic lung tissue provides a tractable model to study cellular interactions and paracrine factors that regulate these processes. We provide up-to-date protocols for the establishment of this culture model and its application to investigate hedgehog signaling in the developing lung.

Immunology

High Dimensional Functionomic Analysis of Human Hematopoietic Stem  and Progenitor Cells at a Single Cell Level

High Dimensional Functionomic Analysis of Human Hematopoietic Stem and Progenitor Cells at a Single Cell Level

TL Thomas Luh
KL Kimberly Lucero
WM Wenji Ma
JL Jaeyop Lee
YZ Yu Jerry Zhou
YS Yufeng Shen
Kang  Liu Kang Liu
8582 Views
May 20, 2018
The ability to conduct investigation of cellular transcription, signaling, and function at the single-cell level has opened opportunities to examine heterogeneous populations at unprecedented resolutions. Although methods have been developed to evaluate high-dimensional transcriptomic and proteomic data (relating to cellular mRNA and protein), there has not been a method to evaluate corresponding high-dimensional functionomic data (relating to cellular functions) from single cells. Here, we present a protocol to quantitatively measure the differentiation potentials of single human hematopoietic stem and progenitor cells, and then cluster the cells according to these measurements. High dimensional functionomic analysis of cell potential allows cell function to be linked to molecular mechanisms within the same progenitor population.

Microbiology

Virucidal and Neutralizing Activity Tests for Antiviral Substances and Antibodies

Virucidal and Neutralizing Activity Tests for Antiviral Substances and Antibodies

CA Chie Aoki-Utsubo
MC Ming Chen
Hak  Hotta Hak Hotta
13974 Views
May 20, 2018
In a narrow definition, virucidal activity represents the activity by which to interact with and physically disrupt viral particles. In a broad definition, it includes the activity by which to functionally inhibit (neutralize) viral infectivity without apparent morphological alterations of the viral particles. The viral infectivity can be measured in cell culture system by means of plaque assay, infectious focus assay, 50% tissue culture infectious dose (TCID50) assay, etc. Morphologically, disruption of viral particles can be demonstrated by negative staining electron microscopic analysis of viral particles. In this article, we describe methods to assess virucidal activity in a broad definition.
Enzymatic Activity Assay for Invertase in Synechocystis Cells

Enzymatic Activity Assay for Invertase in Synechocystis Cells

XT Xiaoming Tan
KS Kuo Song
XL Xuefeng Lu
7838 Views
May 20, 2018
Invertase can catalyze the hydrolysis of sucrose, and is widely distributed in cells of cyanobacteria and plants. Being responsible for the first step for sucrose metabolism, invertase plays important physiological roles and its enzymatic activity is frequently needed to be determined. All the methods for determination of the invertase activity are dependent on detection of the glucose product generated by the invertase. Here we describe an ion chromatography based protocol of our laboratory for determination of cyanobacterial intracellular invertase activity.
Quantification of Hydrogen Sulfide and Cysteine Excreted by Bacterial Cells

Quantification of Hydrogen Sulfide and Cysteine Excreted by Bacterial Cells

SK Sergey Korshunov
JI James A. Imlay
7246 Views
May 20, 2018
Bacteria release cysteine to moderate the size of their intracellular pools. They can also evolve hydrogen sulfide, either through dissimilatory reduction of oxidized forms of sulfur or through the deliberate or inadvertent degradation of intracellular cysteine. These processes can have important consequences upon microbial communities, because excreted cysteine autoxidizes to generate hydrogen peroxide, and hydrogen sulfide is a potentially toxic species that can block aerobic respiration by inhibiting cytochrome oxidases. Lead acetate strips can be used to obtain semiquantitative data of sulfide evolution (Oguri et al., 2012). Here we describe methods that allow more-quantitative and discriminatory measures of cysteine and hydrogen sulfide release from bacterial cells. An illustrative example is provided in which Escherichia coli rapidly evolves both cysteine and sulfide upon exposure to exogenous cystine (Chonoles Imlay et al., 2015; Korshunov et al., 2016).
In vitro Analysis of Ubiquitin-like Protein Modification in Archaea

In vitro Analysis of Ubiquitin-like Protein Modification in Archaea

Xian Fu Xian Fu
ZA Zachary Adams
JM Julie A. Maupin-Furlow
7093 Views
May 20, 2018
The ubiquitin-like (Ubl) protein is widely distributed in Archaea and involved in many cellular pathways. A well-established method to reconstitute archaeal Ubl protein conjugation in vitro is important to better understand the process of archaeal Ubl protein modification. This protocol describes the in vitro reconstitution of Ubl protein modification and following analysis of this modification in Haloferax volcanii, a halophilic archaeon serving as the model organism.

Molecular Biology

Ectopic Gene Expression in Macrophages Using in vitro Transcribed mRNA

Ectopic Gene Expression in Macrophages Using in vitro Transcribed mRNA

Pallavi  Chandra Pallavi Chandra
JP Jennifer A. Philips
8595 Views
May 20, 2018
Macrophages are immune cells that contribute to host defense through various mechanisms including phagocytosis and antigen presentation. Their antimicrobial capacity is subverted by clinically important intracellular pathogens such as Mycobacterium tuberculosis. The study of host-pathogen interactions using these cells is therefore of considerable interest. Such studies often seek to express tagged proteins to characterize their activities, localizations, and protein-protein interactions. Here, we describe a robust method for transient protein expression in macrophages using mRNA lipoplex transfections.

Neuroscience

Induction of Photothrombotic Stroke in the Sensorimotor Cortex of Rats and Preparation of Tissue for Analysis of Stroke Volume and Topographical Cortical Localization of Ischemic Infarct

Induction of Photothrombotic Stroke in the Sensorimotor Cortex of Rats and Preparation of Tissue for Analysis of Stroke Volume and Topographical Cortical Localization of Ischemic Infarct

Anna M. Wiersma Anna M. Wiersma
IW Ian R. Winship
12750 Views
May 20, 2018
The photothrombotic model of stroke is commonly used in research as it allows the ischemic infarct to be targeted to specific regions of the cortex with high reproducibility and well-defined infarct borders. Unlike other models of stroke, photothrombosis allows the precise size and location of infarct to be tightly controlled with minimal surgical invasion. Photothrombosis is induced when a circulating photosensitive dye is irradiated in vivo, resulting in focal disruption of the endothelium, activation of platelets and occlusion of the microvasculature (Watson et al., 1985; Dietrich et al., 1987; Carmichael, 2005). The protocols here define how photothrombosis can be specifically targeted to the sensorimotor forelimb cortex of rat with high reproducibility. Detailed methods on rat cortical tissue processing to allow for accurate analysis of stroke volume and stereotactic determination of the precise cortical region of ischemic damage are provided.
Sociability and Social Novelty Preference Tests Using a U-shaped Two-choice Field

Sociability and Social Novelty Preference Tests Using a U-shaped Two-choice Field

EL Eun-Hwa Lee
JP Jin-Young Park
YL Yunjin Lee
PH Pyung-Lim  Han
11426 Views
May 20, 2018
We developed sociability tests based on use of a U-shaped two-choice field to read out behavioral states of sociability in rodents. The U-shaped two-choice field is a modified open field that is partially partitioned with a wall projecting to the central point, resulting in two symmetrical rectangular fields, each containing closed and open square zones that together form a ‘U-shaped field’. The U-shaped two-choice field can be used to measure animal’s behavioral responses to two contrasting or similar options, such as (i) a social target versus an inanimate object, (ii) a new stranger versus an earlier stranger, and (iii) a novel animal (a non-mate) versus a cage-mate (a familiar animal). We describe detailed procedures for sociability tests for the above three behavioral test paradigms based on the U-shaped two-choice field.
In vivo Use of Dextran-based Anterograde Cortical Tracers  to Assess the Integrity of the Cortical Spinal Tract

In vivo Use of Dextran-based Anterograde Cortical Tracers to Assess the Integrity of the Cortical Spinal Tract

Anna M. Wiersma Anna M. Wiersma
IW Ian R. Winship
7738 Views
May 20, 2018
When injected into the motor cortex of rats, anterograde tracers label fibers of the associated descending corticospinal tract (CST) that originate from pyramidal neurons in the tracer-injected cortex. These fibers can be assessed at the level of the spinal cord to determine the integrity of the descending CST and the spatial distribution of axons in the spinal grey matter. Here we provide detailed methods on the minimally invasive stereotaxic injection of anterograde tracers into the forelimb sensorimotor representation in the rat cortex. In addition, we detail the fixing and processing of spinal tissue for assessment of CST integrity and branching into spinal grey matter.

Plant Science

Quantification of Salicylic Acid (SA) and SA-glucosides in Arabidopsis thaliana

Quantification of Salicylic Acid (SA) and SA-glucosides in Arabidopsis thaliana

VA Valérie Allasia
BI Benoit Industri
MP Michel Ponchet
MQ Michaël Quentin
Bruno  Favery Bruno Favery
HK Harald Keller
13259 Views
May 20, 2018
Homeostasis between the cytoplasmic plant hormone salicylic acid (SA) and its’ inactive, vacuolar storage forms, SA-2-O-β-D-glucoside (SAG) and SA-β-D-Glucose Ester (SGE), regulates the fine-tuning of defense responses to biotrophic pathogens in Arabidopsis thaliana. This protocol describes a simplified, optimized procedure to extract and quantify free SA and total hydrolyzable SA in plant tissues using a classical HPLC-based method.
Rapid Screening and Evaluation of Maize Seedling Resistance to  Stalk Rot Caused by Fusarium spp.

Rapid Screening and Evaluation of Maize Seedling Resistance to Stalk Rot Caused by Fusarium spp.

YS Yali Sun
XR Xinsen Ruan
LM Liang Ma
FW Fang Wang
XG Xiquan Gao
8851 Views
May 20, 2018
Corn stalk rot caused by Fusarium spp., a genus of soil-borne fungal pathogens, has become a major concern of maize production. This disease normally causes significant reduction of maize yield and quality worldwide. The field assay for identifying stalk rot resistance using adult plants is largely relying on large population, yet time-consuming, labor costs, and often influenced by environmental conditions. Therefore, a rapid and reliable assay for investigating maize stalk rot caused by Fusarium spp. is required for screening the resistant lines and functional study of maize resistance to this pathogen. We have developed a seedling assay to rapidly screen the resistant lines using 12-day to 2-week-old seedlings. The entire assay can be completed within approximately 16-18 days post seed germination, with inexpensive labor cost and high repeatability. This simple, rapid and reliable assay can be widely used for identifying the maize resistance to stalk rot caused by Fusarium spp. and other similar fungal pathogens.

Stem Cell

A Method to Injure, Dissect and Image Indirect Flight Muscle of Drosophila

A Method to Injure, Dissect and Image Indirect Flight Muscle of Drosophila

KC Kunal Chakraborty
KV K. VijayRaghavan
Rajesh Gunage Rajesh Gunage
10077 Views
May 20, 2018
Inducing an injury specifically to Drosophila flight muscles is a difficult task, owing to the small size of the muscles and the presence of the cuticle. The protocol described below provides an easy and reproducible method to induce injury in the Drosophila flight muscles.
Hair Follicle Stem Cell Isolation and Expansion

Hair Follicle Stem Cell Isolation and Expansion

MC Mindy Call
EM Ewa Anna Meyer
WK Winston W. Kao
FK Friedrich E. Kruse
US Ursula Schlӧtzer-Schrehardt
9080 Views
May 20, 2018
Stem cells are widely used for numerous clinical applications including limbal stem cell deficiency. Stem cell derived from the bulge region of the hair follicle have the ability to differentiate into a variety of cell types including interfollicular epidermis, hair follicle structures, sebaceous glands and corneal epithelial cells when provided the appropriate cues. Hair follicle stem cells are being studied as a valuable source of autologous stem cells to treat disease. The protocol described below details the isolation and expansion of these cells for eventual clinical application. We used a dual-reporter mouse model to visualize both isolation and eventual differentiation of these cells in a limbal stem cell-deficient mouse model.
Osteoblast Sorting and Intracellular Staining of CXCL12

Osteoblast Sorting and Intracellular Staining of CXCL12

WW Weihuan Wang
GM Gurnoor Majhail
CL Cui Lui
LZ Lan Zhou
7667 Views
May 20, 2018
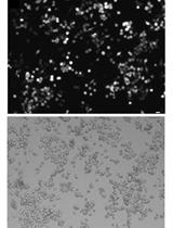
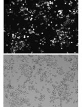
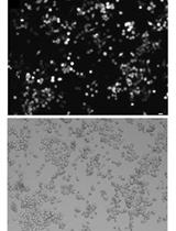
Osteoblasts are bone marrow endosteum-lining niche cells playing important roles in the regulation of hematopoietic stem cells by secreting factors and cell adhesion molecules. Characterization of primary osteoblasts has been achieved through culture of outgrowth of collagenase treated bone. Immunophenotyping and flow-based analysis of long bone osteoblasts offer a simplified and rapid approach to characterize osteoblasts. We describe a modified procedure of isolating mouse bone marrow osteoblastic cells based on cell surface immunophenotyping. The chemokine CXCL12 (also known as stromal-derived factor, SDF-1) together with its receptor CXCR4 are expressed by osteoblasts and bone marrow stroma cells. The CXCL12-CXCR4 axis is important for hematopoietic stem cell retention to their niches (Sugiyama et al., 2006) and for supporting leukemia initiating cell activity (Pitt et al., 2015). Here we describe the procedure of intracellular staining of CXCL12.
Murine Hair Follicle Derived Stem Cell Transplantation onto the Cornea Using a Fibrin Carrier

Murine Hair Follicle Derived Stem Cell Transplantation onto the Cornea Using a Fibrin Carrier

MC Mindy Call
EM Ewa Anna Meyer
WK Winston W. Kao
FK Friedrich E. Kruse
US Ursula Schlӧtzer-Schrehardt
6684 Views
May 20, 2018
The goal of this protocol is to establish a procedure for cultivating stem cells on a fibrin carrier to allow for eventual transplantation to the eye. The ability to transfer stem cells to a patient is critical for treatment for a variety of disorders and wound repair. We took hair follicle stem cells from the vibrissae of transgenic mice expressing a dual reporter gene under the control of the Tet-on system and the keratin 12 promoter (Meyer-Blazejewska et al., 2011). A clonal growth assay was performed to enrich for stem cells. Once holoclones formed they were transferred onto a fibrin carrier and cultivated to obtain a confluent epithelial cell layer. Limbal stem cell deficient (LSCD) mice were used as the transplant recipient in order to test for successful grafting and eventual differentiation into a corneal epithelial phenotype.