发布: 2014年03月20日第4卷第6期 DOI: 10.21769/BioProtoc.1082 浏览次数: 12166
评审: Oneil G. BhalalaAnonymous reviewer(s)
Abstract
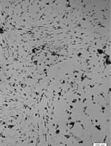
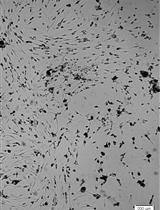
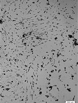
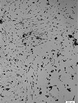
Prion diseases are transmissible, fatal, neurodegenerative diseases in human and animals. The molecular basis of neurodegeneration in prion diseases is largely unclear. Developing a cellular model capable of monitoring prion-induced cytotoxicity would be a promising approach for better understanding the prion pathogenesis. One candidate cellular assay is a model based on neurospheres, which contains neural stem cells (NSCs). Both undifferentiated and differentiated NSCs have been demonstrated to be permissive to prion infection, and prion-induced cytopathic changes in differentiated neruosphere cultures were reported (Iwamaru et al., 2013). This protocol describes the procedure to induce differentiation of NSCs from transgenic mice overexpressing prion protein (tga20 mice) into cultures susceptible for prion infection.
Materials and Reagents
Equipment
Procedure
文章信息
版权信息
© 2014 The Authors; exclusive licensee Bio-protocol LLC.
如何引用
Iwamaru, Y., Takenouchi, T. and Kitani, H. (2014). Neural Stem Cell Differentiation and Prion Infection. Bio-protocol 4(6): e1082. DOI: 10.21769/BioProtoc.1082.
分类
神经科学 > 发育 > 神经元
干细胞 > 成体干细胞 > 神经干细胞
细胞生物学 > 细胞信号传导 > 胁迫反应
您对这篇实验方法有问题吗?
在此处发布您的问题,我们将邀请本文作者来回答。同时,我们会将您的问题发布到Bio-protocol Exchange,以便寻求社区成员的帮助。
Share
Bluesky
X
Copy link





